
ETK Bedienungshinweise:
- Teile anhand der laufenden Nummer aus dem Teilefiche in der Tabelle auswählen
- Artikelnummer anklicken, um zu den Details zu gelangen und die entsprechende Menge in den Warenkorb zu legen
- [Zurück zur letzten Seite] Link benutzen, um zu dieser Teileliste zurückzukehren
| Nr. | OEM-Details | Bezeichnung | Benötigt | Hinweise |
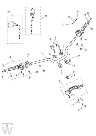
| 1 | ![]() T2043181 | Handlebar, Tapered, Black | 1 | |
| 2 | ![]() T2048951 | Clamp, Handlebar, Upper | 2 | > AU1344 - All Except BR/IN & > AU1794 - BR/IN Only |
| 2 | ![]() T2048902 | Clamp, Handlebar, Upper | 2 | AU1345 > All Except BR/IN & AU1795 > BR/IN Only |
| 3 | ![]() T2048951 | Lower Handlebar Clamp | 2 | > AU1344 - All Except BR/IN & > AU1794 - BR/IN Only |
| 3 | ![]() T2048901 | Clamp, Handlebar, Lower | 2 | AU1345 > All Except BR/IN & AU1795 > BR/IN Only |
| 4 | ![]() T3050154 | Bolt, Cap/Hd, M10 x 90, Slv | 2 | |
| 5 | ![]() T3050323 | Screw, Cap/Hd, M8 x 30, Slv | 2 | |
| 6 | ![]() T2043048 | Upper Yoke Assembly | 1 | |
| 7 | ![]() T3050183 | Screw, Cap/Hd, M8 x 25, SS | 2 | |
| 8 | ![]() T2040442 | ABSCHLUSSMUTTER, M27 X 1.0 | 1 | |
| 9 | ![]() T3551551 | Washer,27.5 x 35 x 0.5 | 2 | |
| 10 | ![]() T2042949 | Wire Guide, Upper Yoke | 1 | |
| 11 | ![]() T3331042 | Screw, Pan/Hd, Tx, M6 x 12, Enc | 2 | |
| 12 | ![]() T2048096 | Sensor, AP, Cruise | 1 | |
| 13 | ![]() T2044901 | Grip, Handlebar, RH | 1 | |
| 14 | ![]() T3050314 | Bolt, M5 x 20 | 2 | |
| 15 | ![]() T2044828 | Switchcube, RH | 1 | |
| 16 | ![]() T2044338 | Switchcube, LH | 1 | All Except CA, CN, JP & US |
| 16 | ![]() T2044784 | Switchcube, LH | 1 | CA, CN, JP & US Only |
| 17 | ![]() T2045139 | Grip, Handlebar, LH | 1 | |
| 20 | ![]() T2042979 | Finisher, M6, CSK | 1 | |
| 21 | ![]() T3330923 | Screw, Csk, M6 x 20, Slv, Enc | 2 | |
| 22 | ![]() T3331439 | Screw, S/Tap, Pan/Hd, M4 x 10, Slv | 2 | |
| 23 | ![]() T3550500 | Washer,4.3 x 9.0 x 0.8 | 2 | |
| 24 | ![]() T3700212 | Band, Rubber | 3 | |
| 25 | ![]() T2049701 | Switchcube Mounting Block | 2 | |
| 27 | ![]() T2060185 | Mirror Assy, RH | 1 | |
| 28 | ![]() T2060175 | Mirror Assy, LH | 1 |
Bedeutung der Hinweise (VIN oder ohne Hinweis=Fahrzeugidentnummer / ENG=Motornummer)
> xxxxx bedeutet BIS Identnummer xxxxx (manchmal auch ohne > davor)
xxxxx > bedeutet AB Identnummer xxxxx (alle ab dieser Idennummer aufwärts)
LH bedeutet Left Hand / Links
RH bedeutet Right Hand / Rechts
obs (obsolete) bedeutet Wird nicht mehr produziert = Nicht mehr bestellbar.
ACHTUNG: Teile aus Ersatzteilkatalogen werden extra für Ihr Fahrzeug bestellt. Es besteht daher kein ersatzloses Rückgaberecht.
Die Wiedereinlagerungsgebühr für zurückgesandte Bestellungen beträgt 25% des Warenwertes.