
ETK Bedienungshinweise:
- Teile anhand der laufenden Nummer aus dem Teilefiche in der Tabelle auswählen
- Artikelnummer anklicken, um zu den Details zu gelangen und die entsprechende Menge in den Warenkorb zu legen
- [Zurück zur letzten Seite] Link benutzen, um zu dieser Teileliste zurückzukehren
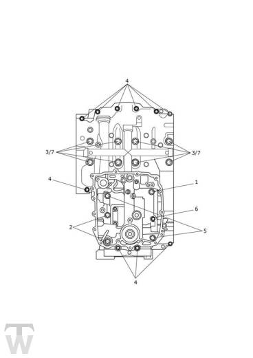
| Nr. | OEM-Details | Bezeichnung | Benötigt | Hinweise |
| 1 | ![]() T3202307 | Bolt, HHF, M8 x 50, Slv | 1 | |
| 2 | ![]() T3202332 | Bolt, HHF, M8 x 100, Slv | 2 | |
| 3 | ![]() T3150151 | Bolt, HHF, M10 x 130, Slv | 8 | |
| 4 | ![]() T3200148 | Bolt, RHHF, M6 x 30, Slv | 10 | |
| 5 | ![]() T3202313 | Bolt, HHF, M8 x 85, Slv | 2 | |
| 6 | ![]() T3203150 | Bolt, RHHF, M6 x 55, Slv | 1 | |
| 7 | ![]() T3550299 | Washer, M10, Hardened | 8 |
Bedeutung der Hinweise (VIN oder ohne Hinweis=Fahrzeugidentnummer / ENG=Motornummer)
> xxxxx bedeutet BIS Identnummer xxxxx (manchmal auch ohne > davor)
xxxxx > bedeutet AB Identnummer xxxxx (alle ab dieser Idennummer aufwärts)
LH bedeutet Left Hand / Links
RH bedeutet Right Hand / Rechts
obs (obsolete) bedeutet Wird nicht mehr produziert = Nicht mehr bestellbar.
ACHTUNG: Teile aus Ersatzteilkatalogen werden extra für Ihr Fahrzeug bestellt. Es besteht daher kein ersatzloses Rückgaberecht.
Die Wiedereinlagerungsgebühr für zurückgesandte Bestellungen beträgt 25% des Warenwertes.