
ETK Bedienungshinweise:
- Teile anhand der laufenden Nummer aus dem Teilefiche in der Tabelle auswählen
- Artikelnummer anklicken, um zu den Details zu gelangen und die entsprechende Menge in den Warenkorb zu legen
- [Zurück zur letzten Seite] Link benutzen, um zu dieser Teileliste zurückzukehren
| Nr. | OEM-Details | Bezeichnung | Benötigt | Hinweise |
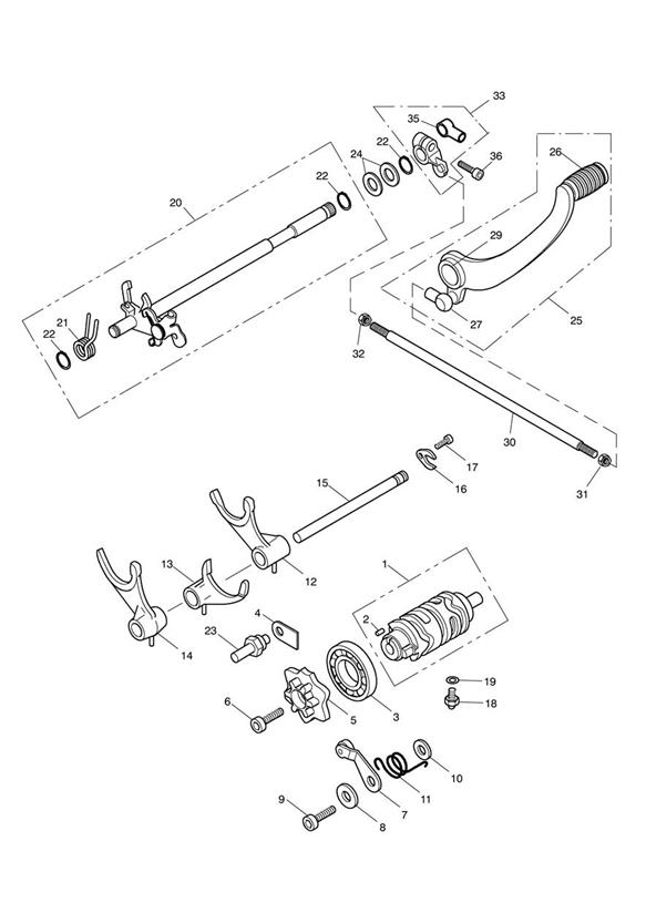
| 1 | ![]() T1190909 | Selector Drum Assembly | 1 | |
| 2 | obs T3000009 | Dowel | 1 | |
| 3 | ![]() T3800090 | Kugellager | 1 | |
| 4 | ![]() T1190926 | HALTEPLATTE | 1 | |
| 5 | ![]() T1190915 | ARRETIERUNGSRAD | 1 | |
| 6 | ![]() T3331041 | Screw, Pan/Hd, Tx, M6 x 25, Enc | 1 | |
| 7 | ![]() T1190165 | ARRETIERHEBEL | 1 | > Eng No 330785 |
| 7 | ![]() T1190169 | Detent Arm Assy | 1 | Eng No 330786 > |
| 8 | ![]() T3555017 | Washer,6.5 x 12.5 x 0.8 | 1 | |
| 9 | ![]() T3051058 | Screw, Cap/HD, M6 x 20, Enc | 1 | |
| 10 | ![]() T1190192 | Collar, Detent Arm | 1 | |
| 11 | ![]() T1190923 | Spring, Detent Arm | 1 | |
| 12 | ![]() T1191002 | SCHALTGABEL C, AUSGANGSWELLE | 1 | |
| 13 | ![]() T1191001 | SCHALTGABEL B, EINGANGSWELLE | 1 | |
| 14 | ![]() T1191000 | SCHALTGABEL A, AUSGANGSWELLE | 1 | |
| 15 | ![]() T1190069 | Shaft, Selector, Gearbox | 1 | |
| 16 | ![]() T1190101 | ANKERSCHEIBE SCHALTGABELWELLE | 1 | |
| 17 | ![]() T3331042 | Screw, Pan/Hd, Tx, M6 x 12, Enc | 1 | |
| 18 | ![]() T1190282 | Neutral Switch | 1 | |
| 19 | ![]() T3550546 | Washer, Cu, OD 16 x ID 10.2/ | 1 | |
| 20 | ![]() T1190850 | SCHALTWELLE | 1 | > Eng No 372712 |
| 20 | ![]() T1190083 | Assy, Gearchange Mechanism | 1 | Eng No 372713 > |
| 21 | obs T1190041 | RUECKHOLFEDER, SCHALTWELLE | 1 | |
| 22 | ![]() T3500044 | Seegerring | 3 | |
| 23 | ![]() T1191143 | Pin, Spring Abutment | 1 | |
| 24 | ![]() T3555003 | Washer,12 x 18 x 1.2 | 2 | > Eng No 372712 |
| 24 | ![]() T3550236 | Washer,14 x 20 x 1.6 | 2 | Eng No 372713 > |
| 25 | ![]() T2081009 | Pedalbausatz | 1 | |
| 26 | ![]() T2080766 | Rubber | 1 | |
| 27 | obs T2085022 | Boot, Ball Joint | 1 | |
| 29 | ![]() T3750006 | Buchse | 1 | |
| 30 | ![]() T2081078 | Rod, Gearchange | 1 | |
| 31 | ![]() T3350300 | Nut, M6 x 1.0, Slv | 1 | |
| 32 | ![]() T3350304 | Nut, LH, M6, Slv | 1 | |
| 33 | ![]() T2080045 | Klemme komplett | 1 | |
| 35 | obs T2085022 | Boot, Ball Joint | 1 | |
| 36 | ![]() T3050334 | Screw, Cap/Hd, M6 x 20, Slv | 1 |
Bedeutung der Hinweise (VIN oder ohne Hinweis=Fahrzeugidentnummer / ENG=Motornummer)
> xxxxx bedeutet BIS Identnummer xxxxx (manchmal auch ohne > davor)
xxxxx > bedeutet AB Identnummer xxxxx (alle ab dieser Idennummer aufwärts)
LH bedeutet Left Hand / Links
RH bedeutet Right Hand / Rechts
obs (obsolete) bedeutet Wird nicht mehr produziert = Nicht mehr bestellbar.
ACHTUNG: Teile aus Ersatzteilkatalogen werden extra für Ihr Fahrzeug bestellt. Es besteht daher kein ersatzloses Rückgaberecht.
Die Wiedereinlagerungsgebühr für zurückgesandte Bestellungen beträgt 25% des Warenwertes.