
ETK Bedienungshinweise:
- Teile anhand der laufenden Nummer aus dem Teilefiche in der Tabelle auswählen
- Artikelnummer anklicken, um zu den Details zu gelangen und die entsprechende Menge in den Warenkorb zu legen
- [Zurück zur letzten Seite] Link benutzen, um zu dieser Teileliste zurückzukehren
| Nr. | OEM-Details | Bezeichnung | Benötigt | Hinweise |
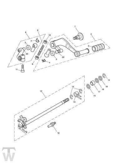
| 2 | ![]() T2081033 | Pedal Assy, Gearchange | 1 | |
| 3 | ![]() T2086072 | Dichtung | 2 | |
| 4 | ![]() T2086073 | CLIP, WIRE RETENTION | 2 | |
| 5 | ![]() T2080529 | Gummi | 1 | |
| 6 | ![]() T2081034 | Clamp Assy, Linkage | 1 | |
| 7 | ![]() T3331614 | Bolt, Shld, M8, Slv Enc | 1 | |
| 8 | ![]() T2080699 | STANGE | 1 | |
| 9 | ![]() T3350300 | Nut, M6 x 1.0, Slv | 1 | |
| 10 | ![]() T3350304 | Nut, LH, M6, Slv | 1 | |
| 11 | ![]() T3050334 | Screw, Cap/Hd, M6 x 20, Slv | 1 | |
| 12 | ![]() T1190594 | SCHALTWELLE, BAUGRUPPE | 1 | |
| 13 | obs T1190041 | RUECKHOLFEDER, SCHALTWELLE | 1 | |
| 14 | ![]() T3500044 | Seegerring | 3 | |
| 15 | ![]() T3555003 | Washer,12 x 18 x 1.2 | 1 | |
| 16 | ![]() T1190054 | SPRING ABUTMENT BOLT | 1 | |
| 17 | ![]() 3800041-T0301 | Lager, nadel- | 1 | |
| 18 | ![]() T3600008 | Oil Seal | 1 | |
| 19 | ![]() T3550090 | Axialscheibe | 1 | |
| 20 | ![]() T3550031 | Washer, Disc Spring, M6 | 2 |
Bedeutung der Hinweise (VIN oder ohne Hinweis=Fahrzeugidentnummer / ENG=Motornummer)
> xxxxx bedeutet BIS Identnummer xxxxx (manchmal auch ohne > davor)
xxxxx > bedeutet AB Identnummer xxxxx (alle ab dieser Idennummer aufwärts)
LH bedeutet Left Hand / Links
RH bedeutet Right Hand / Rechts
obs (obsolete) bedeutet Wird nicht mehr produziert = Nicht mehr bestellbar.
ACHTUNG: Teile aus Ersatzteilkatalogen werden extra für Ihr Fahrzeug bestellt. Es besteht daher kein ersatzloses Rückgaberecht.
Die Wiedereinlagerungsgebühr für zurückgesandte Bestellungen beträgt 25% des Warenwertes.