
ETK Bedienungshinweise:
- Teile anhand der laufenden Nummer aus dem Teilefiche in der Tabelle auswählen
- Artikelnummer anklicken, um zu den Details zu gelangen und die entsprechende Menge in den Warenkorb zu legen
- [Zurück zur letzten Seite] Link benutzen, um zu dieser Teileliste zurückzukehren
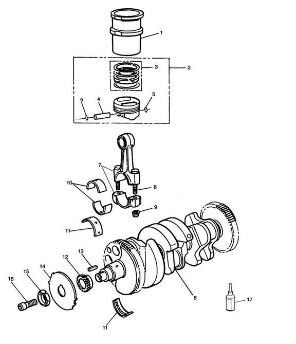
| Nr. | OEM-Details | Bezeichnung | Benötigt | Hinweise |
| 1 | obs T1160680 | ZYLINDERLAUFBUCHSE | 2 | CI Cylinder No 1 & 3 |
| 1 | ![]() T1160682 | ZYLINDERLAUFBUCHSE | 1 | Cylinder No 2 |
| 2 | ![]() 1120000-T0301 | KOLBEN, BAUGRUPPE | 2 | Cylinder No 1 & 3 900cc Engine Long stroke |
| 2 | ![]() 1120002-T0301 | KOLBEN, BAUGRUPPE | 1 | Cylinder No 2 900cc Engine Long stroke |
| 2 | ![]() 1120005-T0301 | KOLBEN, BAUGRUPPE | 2 | Cylinder No 1 & 3 750cc Engine Short stroke |
| 2 | obs 1120007-T0301 | KOLBEN, BAUGRUPPE | 1 | Cylinder No 2 750cc Engine Short stroke |
| 3 | ![]() 1120120-T0301 | KOLBENRINGSATZ | 3 | |
| 4 | ![]() T1120800 | KOLBENBOLZEN | 3 | |
| 5 | ![]() 1120015-T0301 | KOLBENBOLZENSICHERUNG | 6 | |
| 6 | obs 1200400-T0301 | KURBELWELLE,3 ZYLINDER | 1 | 900cc Engine |
| 6 | obs 1200401-T0301 | KURBELWELLE,3 ZYLINDER | 1 | 750cc Engine |
| 7 | obs T1110500 | PLEUEL, BAUGRUPPE | 3 | 750cc Engine |
| 7 | ![]() T1110014 | PLEUEL, BAUGRUPPE | 3 | 900cc Engines |
| 8 | ![]() T1110060 | SCHRAUBE, PLEUELFUSS | 6 | |
| 8 | ![]() T1110301 | Con-Rod Bolt | 6 | To be used with Con Rod T1111000 |
| 9 | ![]() T1110016 | MUTTER, PLEUELFUSS | 6 | |
| 10 | obs 1110051-T0301 | PLEUELLAGER, WEISS | 6 | Use with 1110150-T0301; Selective Fit |
| 10 | ![]() 1110052-T0301 | PLEUELLAGER, ROT | 6 | Use with Con Rod 1110150-T0301 |
| 10 | ![]() 1110053-T0301 | PLEUELLAGER, BLAU | 6 | Used with Con Rod 1110150-T0301 |
| 10 | ![]() T1110054 | PLEUELLAGER, WEISS | 6 | Used with T1111000 & T1110014; Sel. Fit |
| 10 | ![]() T1110055 | PLEUELLAGER, ROT | 6 | Used with T1111000 & T1110014. Sel. Fit |
| 10 | ![]() T1110056 | PLEUELLAGER, BLAU | 6 | Used with T1110014; Selective Fit |
| 11 | obs 1160371-T0301 | HAUPTLAGER, WEISS | 8 | White Use as required |
| 11 | ![]() T1160751 | HAUPTLAGER, ROT | 8 | Red Use as required |
| 11 | obs 1160373-T0301 | HAUPTLAGER, BLAU | 8 | Blue Use as required |
| 11 | obs 1160374-T0301 | HAUPTLAGER, GRUEN | 8 | Green Use as required |
| 12 | ![]() T1140049 | ZAHNRAD KURBELWELLE,19 ZAEHNE | 1 | |
| 13 | ![]() 1100041-T0301 | PASSFEDER, KURBELWELLE | 1 | |
| 14 | obs T1290110 | ZAHNSCHEIBE, ZUENDUNG,3-ZYL | 1 | Ignition |
| 15 | ![]() 1100039-T0301 | MUTTER | 1 | |
| 16 | ![]() T3050161 | Screw, Cap/HD. M8 x 20, Raw | 1 | |
| 17 | ![]() T4000625 | HYLOMAR,100 GR TUBE | 1 |
Bedeutung der Hinweise (VIN oder ohne Hinweis=Fahrzeugidentnummer / ENG=Motornummer)
> xxxxx bedeutet BIS Identnummer xxxxx (manchmal auch ohne > davor)
xxxxx > bedeutet AB Identnummer xxxxx (alle ab dieser Idennummer aufwärts)
LH bedeutet Left Hand / Links
RH bedeutet Right Hand / Rechts
obs (obsolete) bedeutet Wird nicht mehr produziert = Nicht mehr bestellbar.
ACHTUNG: Teile aus Ersatzteilkatalogen werden extra für Ihr Fahrzeug bestellt. Es besteht daher kein ersatzloses Rückgaberecht.
Die Wiedereinlagerungsgebühr für zurückgesandte Bestellungen beträgt 25% des Warenwertes.