
ETK Bedienungshinweise:
- Teile anhand der laufenden Nummer aus dem Teilefiche in der Tabelle auswählen
- Artikelnummer anklicken, um zu den Details zu gelangen und die entsprechende Menge in den Warenkorb zu legen
- [Zurück zur letzten Seite] Link benutzen, um zu dieser Teileliste zurückzukehren
- Spalte [Benötigt] und [Hinweise] beachten! Hinweise zur VIN Trennung mit der eigenen FIN vergleichen!
- Verkleidungsteile (Neuteile) sind mit Dekor versehen und montagefertig
- bei Unsicherheit ob Teile passen, schreibt uns gern vorher eine Mail mit eurer Fahrgestellnummer
- jede OEM-Nr. ist nur 1 Stück! Die Menge muss im Warenkorb angepasst werden!
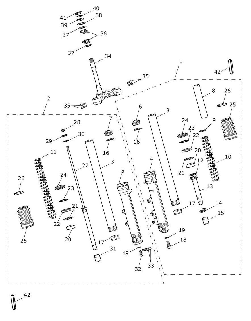
| Nr. | OEM-Details | Bezeichnung | Benötigt | Hinweise |
| 1 | ![]() T2045780 | Stanchion Assy, LH | 1 | |
| 2 | ![]() T2045790 | Stanchion Assy, RH | 1 | |
| 3 | ![]() T2042272 | Fork Tube, Inner | 2 | |
| 4 | ![]() T2042278 | Casting, Fork, LH | 1 | |
| 5 | ![]() T2042271 | Casting, Fork, RH | 1 | |
| 6 | ![]() T2042255 | Fork Cap, LH | 1 | |
| 7 | ![]() T2042273 | Fork Cap, RH | 1 | |
| 8 | ![]() T2045737 | Spring Collar | 1 | |
| 9 | ![]() T2045664 | Washer, Spring | 1 | |
| 10 | ![]() T2042254 | Spring | 1 | |
| 11 | ![]() T2042240 | Spring, B | 1 | |
| 12 | ![]() T2042249 | O Ring | 1 | |
| 13 | ![]() T2042248 | Seat Pipe | 1 | |
| 14 | ![]() T2046745 | Rebound Spg | 1 | |
| 15 | ![]() T2045655 | Oil Lock Piece | 1 | |
| 16 | ![]() T2045666 | O Ring, End Cap | 2 | |
| 17 | ![]() T2041184 | Bush, Slider | 2 | |
| 18 | ![]() T2045657 | Bolt, M10 | 1 | |
| 19 | ![]() T2045656 | Washer, Copper | 2 | |
| 20 | ![]() T2041173 | Bush, Guide | 2 | |
| 21 | ![]() T2041688 | Seal, Spacer | 2 | |
| 22 | ![]() T2045660 | Seal, Front Fork | 2 | |
| 23 | ![]() T2041690 | Oil Seal Stopper Ring | 2 | |
| 24 | ![]() T2041541 | Dust Seal | 2 | |
| 25 | ![]() T2042267 | Gaiter, Fork | 2 | |
| 26 | ![]() T2042268 | Clip, Fork Gaiter | 2 | |
| 27 | ![]() T2042235 | Damper Comp | 1 | |
| 28 | ![]() T2042243 | Locknut | 1 | |
| 29 | ![]() T2042252 | Spring Seat B | 1 | |
| 30 | ![]() T2042253 | Spring, Joint | 1 | |
| 31 | ![]() T2045019 | Oil Lock Piece | 1 | |
| 32 | ![]() T2042265 | Capscrew, Hex Skt Hd | 1 | |
| 33 | ![]() T3050073 | Hutschraube | 2 | |
| 34 | ![]() T2042523 | Lower Yoke Assembly | 1 | |
| 35 | ![]() T3050324 | Screw, Cap/Hd, M8 x 1.25 x 35, Slv | 4 | |
| 36 | ![]() T3800091 | Lager | 2 | |
| 37 | ![]() T3600234 | Dichtung, staubschutz- | 2 | |
| 38 | ![]() T2042138 | Cover, Headstock Bearing | 1 | |
| 39 | ![]() T2040301 | Adjuster Nut, M30, Lower | 1 | |
| 40 | ![]() T2044183 | Washer, Headstock | 1 | |
| 41 | ![]() T2040304 | ABSCHLUSSMUTTER, M 30 | 1 | |
| 42 | ![]() T2700332 | Rückstrahler | 2 | All Except BR, TH |
Bedeutung der Hinweise (VIN oder ohne Hinweis=Fahrzeugidentnummer / ENG=Motornummer)
> xxxxx bedeutet BIS Identnummer xxxxx
xxxxx > bedeutet AB Identnummer xxxxx
LH bedeutet Left Hand / Links
RH bedeutet Right Hand / Rechts
obs (obsolete) bedeutet Wird nicht mehr produziert = Nicht mehr bestellbar.
ACHTUNG: Teile aus Ersatzteilkatalogen werden extra für Ihr Fahrzeug bestellt. Es besteht daher kein ersatzloses Rückgaberecht.
Die Wiedereinlagerungsgebühr für zurückgesandte Bestellungen beträgt 25% des Warenwertes.