
ETK Bedienungshinweise:
- Teile anhand der laufenden Nummer aus dem Teilefiche in der Tabelle auswählen
- Artikelnummer anklicken, um zu den Details zu gelangen und die entsprechende Menge in den Warenkorb zu legen
- [Zurück zur letzten Seite] Link benutzen, um zu dieser Teileliste zurückzukehren
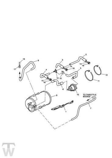
| Nr. | OEM-Details | Bezeichnung | Benötigt | Hinweise |
| 1 | ![]() T1241510 | HALTERUNG, AKTIVKOHLEFILTER | 1 | |
| 2 | ![]() T1242570 | Hose, Evap, Cyl Head | 1 | |
| 3 | ![]() T1241525 | Hose, Evap, Cyl Hd | 1 | |
| 4 | ![]() T1242572 | Hose, Evap, Cyl Head | 1 | |
| 5 | ![]() T1242573 | Hose, Evap, Purge | 1 | |
| 6 | ![]() T1242574 | Hose, Evap, Purge | 1 | |
| 7 | ![]() T1242575 | Hose, Evap, T/Body | 1 | |
| 8 | ![]() T1242577 | Hose, Evap | 1 | |
| 9 | ![]() T2400160 | Kanister | 1 | |
| 10 | ![]() T1240802 | Spares Kit, Purge Valve | 1 | |
| 11 | ![]() T3700015 | Kabelbinder | 1 | |
| 12 | ![]() T3700016 | Kabelbinder | 2 | |
| 13 | ![]() T1242929 | Connector,4 Way | 1 | |
| 14 | ![]() T1241250 | DROSSEL, EVAP | 3 | |
| 15 | ![]() T3700077 | Splint | 1 | |
| 16 | ![]() T3700440 | Clip, Hose,11-12.5mm | 3 | |
| 17 | ![]() T2405042 | Roll Over Valve | 1 |
Bedeutung der Hinweise (VIN oder ohne Hinweis=Fahrzeugidentnummer / ENG=Motornummer)
> xxxxx bedeutet BIS Identnummer xxxxx (manchmal auch ohne > davor)
xxxxx > bedeutet AB Identnummer xxxxx (alle ab dieser Idennummer aufwärts)
LH bedeutet Left Hand / Links
RH bedeutet Right Hand / Rechts
obs (obsolete) bedeutet Wird nicht mehr produziert = Nicht mehr bestellbar.
ACHTUNG: Teile aus Ersatzteilkatalogen werden extra für Ihr Fahrzeug bestellt. Es besteht daher kein ersatzloses Rückgaberecht.
Die Wiedereinlagerungsgebühr für zurückgesandte Bestellungen beträgt 25% des Warenwertes.