
ETK Bedienungshinweise:
- Teile anhand der laufenden Nummer aus dem Teilefiche in der Tabelle auswählen
- Artikelnummer anklicken, um zu den Details zu gelangen und die entsprechende Menge in den Warenkorb zu legen
- [Zurück zur letzten Seite] Link benutzen, um zu dieser Teileliste zurückzukehren
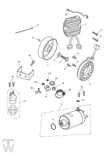
| Nr. | OEM-Details | Bezeichnung | Benötigt | Hinweise |
| 1 | ![]() T1300113 | Rotor, Alternator, Rare Earth | 1 | |
| 2 | ![]() T1300111 | Stator, Alternator,550mm Lead | 1 | |
| 3 | ![]() T3208888 | Bolt, Oil Feed, M12 x 40 | 1 | |
| 4 | ![]() T3550846 | Washer, M12 x 30 x 8 | 1 | |
| 5 | ![]() T1300807 | SCHEIBENFEDER | 1 | |
| 6 | ![]() T3051081 | Screw, Cap/HD, M6 x 40, Enc | 3 | |
| 7 | ![]() T1300095 | Kit, Regulator Rectifier | 1 | > 354282 |
| 7 | ![]() T1300088 | Kit, Regulator Rectifier | 1 | 354283 > 523249 |
| 7 | ![]() T1304040 | Regulator Rectifier,40A | 1 | 523250 > |
| 8 | ![]() T3205067 | Bolt, HHF, Lghtd, M6 x 25, Slv | 2 | > 523249 |
| 8 | ![]() T3205063 | Bolt, HHF, Lghtd, M6 x 16, Slv | 1 | 523250 > |
| 9 | ![]() T1229902 | Kit, Idler Gear,14T/64T | 1 | > Eng No 487373 (See Tech News 129, item 7) |
| 9 | obs T1311113 | Starter Motor, Yellow | 1 | Eng No 487374 > |
| 10 | ![]() T1310038 | Starter Solenoid, Bracket | 1 | |
| 11 | ![]() T3600115 | O Ring | 1 | |
| 12 | ![]() T3350003 | Sich.mutter | 1 | |
| 13 | ![]() T3200190 | Bolt, RHHF, M6 x 25, Slv | 2 | |
| 14 | ![]() T1310115 | MAGNETSCHALTER, ANLASSER | 1 | |
| 15 | ![]() T3205077 | Bolt, HHF, Lghtd, M6 x 8, Slv | 2 | |
| 16 | ![]() T3330728 | Screw, Pan/Hd, Tx, M5 x 16, Enc | 1 | |
| 17 | ![]() T3700015 | Kabelbinder | 2 | |
| 18 | obs T1310610 | O Ring, Starter Motor | 1 | |
| 19 | obs T1310611 | Nut, Starter Motor | 1 | |
| 20 | obs T1310612 | O Ring, Starter Motor | 1 | |
| 21 | ![]() T1310613 | Bushing Insulation, S/Motor | 1 | |
| 22 | obs T1310614 | Bushing Insulation, S/Motor | 1 | |
| 23 | ![]() T1310615 | Brush, Sub Assy, S/Motor | 1 | |
| 24 | obs T1310616 | Holder, Sub Assy, S/Motor | 1 | |
| 25 | ![]() T2501035 | Link Lead, Regulator Rectifier | 1 | > 354282 |
Bedeutung der Hinweise (VIN oder ohne Hinweis=Fahrzeugidentnummer / ENG=Motornummer)
> xxxxx bedeutet BIS Identnummer xxxxx (manchmal auch ohne > davor)
xxxxx > bedeutet AB Identnummer xxxxx (alle ab dieser Idennummer aufwärts)
LH bedeutet Left Hand / Links
RH bedeutet Right Hand / Rechts
obs (obsolete) bedeutet Wird nicht mehr produziert = Nicht mehr bestellbar.
ACHTUNG: Teile aus Ersatzteilkatalogen werden extra für Ihr Fahrzeug bestellt. Es besteht daher kein ersatzloses Rückgaberecht.
Die Wiedereinlagerungsgebühr für zurückgesandte Bestellungen beträgt 25% des Warenwertes.