
ETK Bedienungshinweise:
- Teile anhand der laufenden Nummer aus dem Teilefiche in der Tabelle auswählen
- Artikelnummer anklicken, um zu den Details zu gelangen und die entsprechende Menge in den Warenkorb zu legen
- [Zurück zur letzten Seite] Link benutzen, um zu dieser Teileliste zurückzukehren
| Nr. | OEM-Details | Bezeichnung | Benötigt | Hinweise |
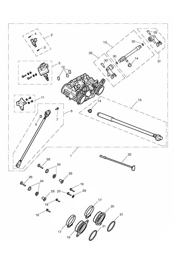
| 1 | ![]() T1246000 | Throttle Body Assy | 1 | |
| 2 | ![]() T1246001 | Injector, Fuel, Kn7 120% Uprated | 2 | |
| 3 | ![]() T1246009 | O-Ring, Injector, Kn7, Lower | 2 | |
| 4 | ![]() T1246008 | O-Ring, Injector, Kn7, Upper | 2 | |
| 5 | ![]() T1241182 | LEERLAUFSCHRITTMOTOR | 1 | |
| 6 | ![]() T1246004 | Throttle Position Sensor, Pri | 1 | |
| 7 | ![]() T1246013 | Screw, Tps, Hex Head | 1 | |
| 8 | ![]() T1245012 | O Ring, TPS | 1 | |
| 11 | ![]() T1246006 | Bracket, Throttle Cable, Kit | 1 | |
| 12 | ![]() T1245009 | ABDECKKAPPE, UNTERDRUCKANSCHL. | 3 | |
| 13 | ![]() T1246007 | Fuel Rail Assy | 1 | |
| 14 | ![]() T1245017 | Fuel Tank Assy | 2 | |
| 15 | ![]() T1246199 | Fuel Feed Hose | 1 | |
| 17 | ![]() T3700041 | Feder | 2 | |
| 18 | ![]() T3205063 | Bolt, HHF, Lghtd, M6 x 16, Slv | 3 | |
| 19 | ![]() T1243151 | Adapter, Throttle Body, LHS | 1 | |
| 20 | ![]() T1243152 | Adapter, Throttle Body, RHS | 1 | |
| 21 | ![]() T1243515 | O-Ring, Dia 55.25 x 2.62, Viton | 2 | |
| 22 | ![]() T1243219 | Pipe, Map Sensor | 2 | |
| 24 | ![]() T1246014 | Flanged Sleeve, Rubber | 4 | |
| 25 | ![]() T3010701 | Flanged Sleeve,6.4 x 10 x 14.5 | 2 | |
| 26 | ![]() T3330231 | Screw, Lge Skt Hd, M6 X 1 X 25 | 2 | |
| 27 | ![]() T3205066 | Bolt, HHF, Lghtd, M6 x 20, Slv | 1 | |
| 28 | ![]() T3555004 | Washer,6.4 x 14 x 1.6 | 1 | |
| 30 | ![]() T1246020 | O Ring, Fuel Rail | 2 | |
| 31 | ![]() T1246030 | Kit, LH, Inj Cup | 1 | |
| 32 | ![]() T1246035 | Kit, RH, Inj Cup | 1 | |
| 33 | ![]() T1240471 | Screw, Fuel Rail | 2 |
Bedeutung der Hinweise (VIN oder ohne Hinweis=Fahrzeugidentnummer / ENG=Motornummer)
> xxxxx bedeutet BIS Identnummer xxxxx (manchmal auch ohne > davor)
xxxxx > bedeutet AB Identnummer xxxxx (alle ab dieser Idennummer aufwärts)
LH bedeutet Left Hand / Links
RH bedeutet Right Hand / Rechts
obs (obsolete) bedeutet Wird nicht mehr produziert = Nicht mehr bestellbar.
ACHTUNG: Teile aus Ersatzteilkatalogen werden extra für Ihr Fahrzeug bestellt. Es besteht daher kein ersatzloses Rückgaberecht.
Die Wiedereinlagerungsgebühr für zurückgesandte Bestellungen beträgt 25% des Warenwertes.