Hauptbremszylinder vorn - Sprint RS 955 bis FIN 139276

Hauptbremszylinder vorn - Sprint RS 955 bis FIN 139276
Anklicken zum Vergrößern


  • Details

Produktbeschreibung

ETK Bedienungshinweise:
- Teile anhand der laufenden Nummer aus dem Teilefiche in der Tabelle auswählen
- Artikelnummer anklicken, um zu den Details zu gelangen und die entsprechende Menge in den Warenkorb zu legen
- [Zurück zur letzten Seite] Link benutzen, um zu dieser Teileliste zurückzukehren

- jede OEM-Nr. ist nur 1 Stück! Die Menge muss im Warenkorb angepasst werden!
- Spalte [Benötigt] und [Hinweise] beachten! Hinweise zur VIN Trennung mit der eigenen FIN vergleichen!
- Verkleidungsteile (Neuteile) sind mit Dekor versehen und montagefertig
- bei Unsicherheit ob Teile passen, schreibt uns gern vorher eine Mail mit eurer Fahrgestellnummer

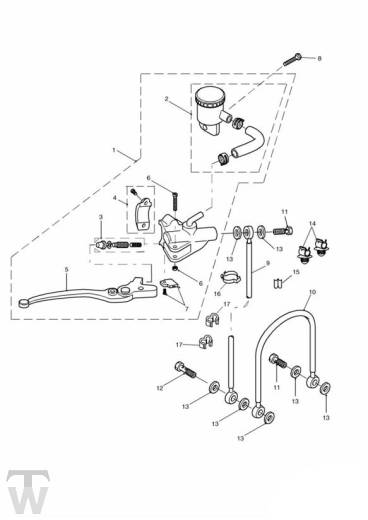
Nr.OEM-DetailsBezeichnungBenötigtHinweise
1obs T2025470HANDBREMSPUMPE1 
2In den Warenkorb | add to cart
T2026221
M/Cyl Reservoir Assy, Front1 
3In den Warenkorb | add to cart
T2020003
Piston Set, M/Cyl,14.01 
4In den Warenkorb | add to cart
T2025403
KLEMME (SET), HANDBREMSPUMPE1 
5In den Warenkorb | add to cart
T2025441
Lever Assy1 
6In den Warenkorb | add to cart
T2020158
Lever, Bolt, Front M/Cyl1 
7In den Warenkorb | add to cart
T2021217
Switch Set1 
8In den Warenkorb | add to cart
T3205063
Bolt, HHF, Lghtd, M6 x 16, Slv1 
9In den Warenkorb | add to cart
T2020759
BREMSLEITUNG, STAHLFLEX, VORNE1 
10In den Warenkorb | add to cart
T2020730
BREMSLEITUNG, STAHLFLEX1 
11In den Warenkorb | add to cart
T3250125
Bolt, Banjo, M10 x 212 
12In den Warenkorb | add to cart
T3250019
Bolt, Banjo, M10 x 311 
13In den Warenkorb | add to cart
T3550229
Washer,15.2 x 10 x 1, Plated7 
14In den Warenkorb | add to cart
T3700233
Clip, Brake Hose2 
15In den Warenkorb | add to cart
T2040811
Twin Clip, Brake Hose1 
16In den Warenkorb | add to cart
T3700025
Kabelverbinder1 
17In den Warenkorb | add to cart
T3700061
Kabelverbinder2 

Bedeutung der Hinweise (VIN oder ohne Hinweis=Fahrzeugidentnummer / ENG=Motornummer)
> xxxxx bedeutet BIS Identnummer xxxxx (manchmal auch ohne > davor)
xxxxx > bedeutet AB Identnummer xxxxx (alle ab dieser Idennummer aufwärts)

LH bedeutet Left Hand / Links
RH
bedeutet Right Hand / Rechts

obs (obsolete) bedeutet Wird nicht mehr produziert = Nicht mehr bestellbar.

ACHTUNG: Teile aus Ersatzteilkatalogen werden extra für Ihr Fahrzeug bestellt. Es besteht daher kein ersatzloses Rückgaberecht.
Die Wiedereinlagerungsgebühr für zurückgesandte Bestellungen beträgt 25% des Warenwertes.

Willkommen zurück!
Versandland
Schnellkauf

Bitte geben Sie die Artikelnummer aus unserem Katalog ein.