Einspritzung - Sprint RS 955 bis FIN 139276


  • Details

Produktbeschreibung

ETK Bedienungshinweise:
- Teile anhand der laufenden Nummer aus dem Teilefiche in der Tabelle auswählen
- Artikelnummer anklicken, um zu den Details zu gelangen und die entsprechende Menge in den Warenkorb zu legen
- [Zurück zur letzten Seite] Link benutzen, um zu dieser Teileliste zurückzukehren

- jede OEM-Nr. ist nur 1 Stück! Die Menge muss im Warenkorb angepasst werden!
- Spalte [Benötigt] und [Hinweise] beachten! Hinweise zur VIN Trennung mit der eigenen FIN vergleichen!
- Verkleidungsteile (Neuteile) sind mit Dekor versehen und montagefertig
- bei Unsicherheit ob Teile passen, schreibt uns gern vorher eine Mail mit eurer Fahrgestellnummer

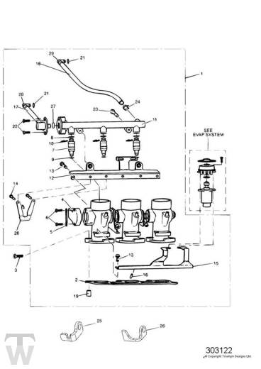
Nr.OEM-DetailsBezeichnungBenötigtHinweise
1obs T1240699DROSSELKLAPPENGEHAEUSE, OVAL1 
2In den Warenkorb | add to cart
T1240776
DICHTUNG, DROSSELKLAPPENGEH.1 
3obs T3330154Schraube6M6 x 30mm
4In den Warenkorb | add to cart
T1290500
DROSSELKLAPPENPOTENTIOMETER1 
5obs T1290501HALTEPLATTE DROSSELKLAPPENPOTI1 
6In den Warenkorb | add to cart
T1290502
SCHRAUBE, HALTEPLATTE POTI2 
7obs T1240891EINSPRITZDUESE, TYP F, LANG3 
8In den Warenkorb | add to cart
T1245016
O RING, EINSPRITZDUESE, OBEN3Upper
9In den Warenkorb | add to cart
T1240355
Lower O Ring, Injector3Lower
10obs T1240894HALTECLIP, EINSPRITZDUESE3 
11obs T1240810EINSPRITZLEISTE, KUNSTSTOFF1 
12obs T1240687HALTERUNG, DROSSELKLAPPENGEH.1Upper
13obs T1240738SCHRAUBE, HALTERUNG DROSSELKL.10 
14obs T1240735SCHRAUBE, M5 x 16, TORX2 
15obs T1240889HALTERUNG, DROSSELKLAPPENGEH.1Lower
16obs T1240719SCHRAUBE, DROSSELKLAPPENANSCHL1 
17In den Warenkorb | add to cart
T1240822
KRAFTSTOFFLEITUNG, ZULAUF1Feed
18obs T1240833KRAFTSTOFFSCHLAUCH, RUECKLAUF1Return
19In den Warenkorb | add to cart
T3000101
Dowel, Hollow,8 x 142 
20obs T1240761HALTERUNG1 
21In den Warenkorb | add to cart
T1240181
O-RING, KRAFTSTOFFANSCHLUSS2 
22In den Warenkorb | add to cart
T1240816
SCHRAUBE, SELBSTSCHNEIDEND2 
23obs T1240817SCHRAUBE, M6 x 302 
24In den Warenkorb | add to cart
T3700261
Schelle, schlauch-1 
25In den Warenkorb | add to cart
T1240749
DROSSELKLAPPENANSCHLAG1FR & CH
26obs T1240748DROSSELKLAPPENANSCHLAG,98 PS1DE
27obs T3600053O-ring1 
28In den Warenkorb | add to cart
T1241165
ANSCHL. BENZINLEITG 8mm WEISS18mm
29In den Warenkorb | add to cart
T1241170
ANSCHL. BENZINLEITG 10mm ROT110mm

Bedeutung der Hinweise (VIN oder ohne Hinweis=Fahrzeugidentnummer / ENG=Motornummer)
> xxxxx bedeutet BIS Identnummer xxxxx (manchmal auch ohne > davor)
xxxxx > bedeutet AB Identnummer xxxxx (alle ab dieser Idennummer aufwärts)

LH bedeutet Left Hand / Links
RH
bedeutet Right Hand / Rechts

obs (obsolete) bedeutet Wird nicht mehr produziert = Nicht mehr bestellbar.

ACHTUNG: Teile aus Ersatzteilkatalogen werden extra für Ihr Fahrzeug bestellt. Es besteht daher kein ersatzloses Rückgaberecht.
Die Wiedereinlagerungsgebühr für zurückgesandte Bestellungen beträgt 25% des Warenwertes.

Willkommen zurück!
Versandland
Schnellkauf

Bitte geben Sie die Artikelnummer aus unserem Katalog ein.