
ETK Bedienungshinweise:
- Teile anhand der laufenden Nummer aus dem Teilefiche in der Tabelle auswählen
- Artikelnummer anklicken, um zu den Details zu gelangen und die entsprechende Menge in den Warenkorb zu legen
- [Zurück zur letzten Seite] Link benutzen, um zu dieser Teileliste zurückzukehren
| Nr. | OEM-Details | Bezeichnung | Benötigt | Hinweise |
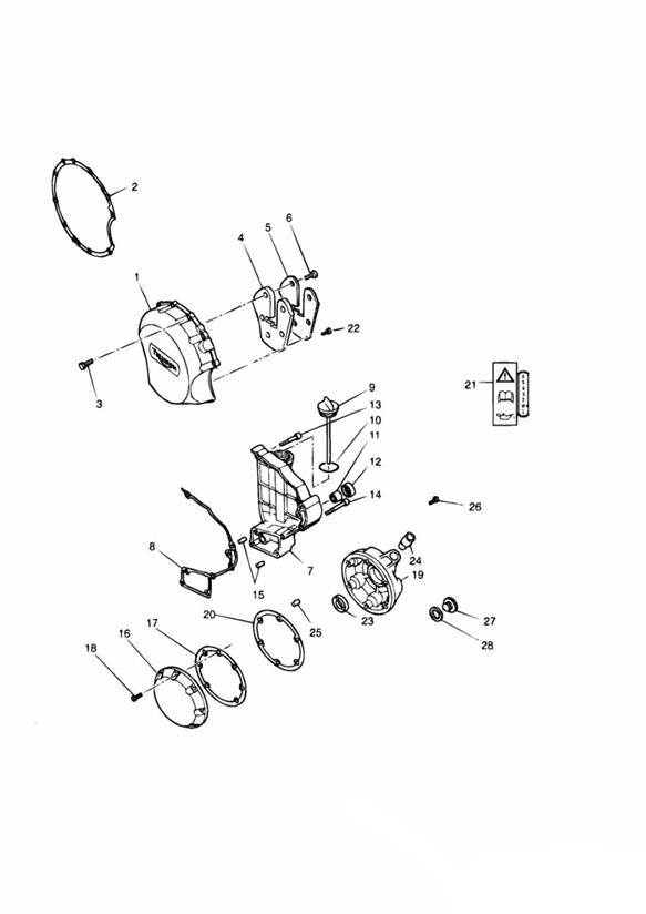
| 1 | obs 1260143-T0301 | KUPPLUNGSDECKEL,4-ZYL, GRAU | 1 | Grey |
| 2 | ![]() T1260206 | DICHTUNG, KUPPLUNGSDECKEL | 1 | |
| 3 | ![]() T3331102 | Schraubbolzen | 18 | M6 x 25mm |
| 4 | obs 1260380-T0301 | GERAEUSCHDAEMMPLATTE | 1 | Suppression |
| 5 | obs 1260390-T0301 | GERAEUSCHDAEMMPLATTE | 1 | Suppression |
| 6 | ![]() T3331040 | Screw, TPT, Pan/Hd, M6 x 12, Slv | 5 | |
| 7 | obs 1260172-T0301 | RITZELDECKEL, GRAU | 1 | Grey |
| 8 | ![]() 1260028-T0301 | DICHTUNG, RITZELDECKEL | 1 | |
| 9 | ![]() 1260134-T0301 | OELMESSSTAB,3 & 4-ZYLINDER | 1 | |
| 10 | ![]() T3600130 | O-ring | 1 | |
| 11 | ![]() 3800041-T0301 | Lager, nadel- | 1 | |
| 12 | ![]() T3600008 | Oil Seal | 1 | |
| 13 | obs T3200082 | Schraubbolzen | 4 | M6 x 40mm |
| 14 | obs 3200025-T0301 | Schraubbolzen | 1 | M6 x 50mm |
| 15 | ![]() T3000101 | Dowel, Hollow,8 x 14 | 2 | |
| 16 | obs 1260075-T0301 | DECKEL KURBELW., RECHTS GRAU | 1 | Grey |
| 17 | ![]() 1260068-T0301 | DICHTUNG, KW-DECKEL RECHTS | 1 | |
| 18 | ![]() T3205063 | Bolt, HHF, Lghtd, M6 x 16, Slv | 7 | |
| 19 | obs 1260186-T0301 | DECKEL KURBELW., LINKS GRAU 4Z | 1 | Grey |
| 20 | ![]() 1260078-T0301 | DICHTUNG, KW-DECKEL LINKS 4ZYL | 1 | |
| 21 | obs T3900440 | Schild | 1 | |
| 22 | obs 3330525-T0301 | Schraube | 1 | M6 x 25mm |
| 23 | ![]() T3600240 | Oil Seal | 1 | |
| 24 | obs 1260480-T0301 | HUELSE, ENTL., KW-DECKEL LINKS | 1 | |
| 25 | ![]() T3000101 | Dowel, Hollow,8 x 14 | 2 | |
| 26 | ![]() T3331102 | Schraubbolzen | 4 | M6 x 25mm |
| 26 | obs T3200082 | Schraubbolzen | 2 | M6 x 40mm |
| 27 | obs T3450071 | Stopfen | 1 | |
| 28 | obs T3550021 | Washer | 1 | M14 |
Bedeutung der Hinweise (VIN oder ohne Hinweis=Fahrzeugidentnummer / ENG=Motornummer)
> xxxxx bedeutet BIS Identnummer xxxxx (manchmal auch ohne > davor)
xxxxx > bedeutet AB Identnummer xxxxx (alle ab dieser Idennummer aufwärts)
LH bedeutet Left Hand / Links
RH bedeutet Right Hand / Rechts
obs (obsolete) bedeutet Wird nicht mehr produziert = Nicht mehr bestellbar.
ACHTUNG: Teile aus Ersatzteilkatalogen werden extra für Ihr Fahrzeug bestellt. Es besteht daher kein ersatzloses Rückgaberecht.
Die Wiedereinlagerungsgebühr für zurückgesandte Bestellungen beträgt 25% des Warenwertes.