
ETK Bedienungshinweise:
- Teile anhand der laufenden Nummer aus dem Teilefiche in der Tabelle auswählen
- Artikelnummer anklicken, um zu den Details zu gelangen und die entsprechende Menge in den Warenkorb zu legen
- [Zurück zur letzten Seite] Link benutzen, um zu dieser Teileliste zurückzukehren
| Nr. | OEM-Details | Bezeichnung | Benötigt | Hinweise |
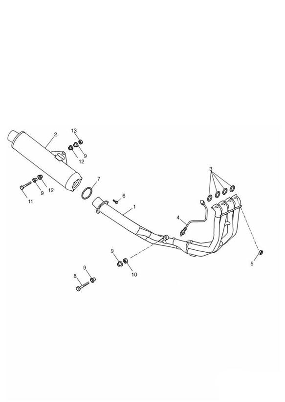
| 1 | obs T2201940 | Schalldaempfer | 1 | All except DE, ES, FR, GR, IT, NL, PT, SE, US CAL, CA, JP & UK |
| 1 | obs T2201954 | Schalldaempfer | 1 | DE, ES, FR, GR, IT, NL, PT, SE, USCAL, CA, JP & UK |
| 2 | obs T2201916 | Schalldämpfer | 1 | Day 600 - All except DE, ES, FR, GR, IT, NL, PT, SE, US CAL, CA, JP & UK |
| 2 | obs T2201914 | Silencer, Single, AL Wrap | 1 | BLK, Day 650 - All except DE, ES, FR, GR, IT, NL, PT, SE, US CAL, CA, JP & UK |
| 2 | obs T2201917 | Schalldämpfer | 1 | Day 600 - DE, ES, FR, GR, IT, NL, PT, SE, USCAL, CA, JP & UK |
| 2 | obs T2201915 | Silencer, Cat Equipped, AL Wrap | 1 | BLK Day 650 - DE, ES, FR, GR, IT, NL, PT, SE, USCAL, CA, JP & UK |
| 3 | obs T2201911 | Dichtung | 4 | |
| 4 | ![]() T2201347 | Lambda Sonde | 1 | |
| 5 | ![]() T3350301 | MUTTER M8 | 8 | |
| 6 | ![]() T3050321 | Screw, Cap/Hd, M8 x 20, Slv | 3 | |
| 7 | ![]() T2200818 | Dichtung | 1 | |
| 8 | ![]() T3200060 | Bolt, HHF, M8x55, Black | 1 | M8 x 55mm |
| 9 | ![]() T3010705 | Flanged Sleeve,8.4 x 12.4 x 13.8 | 4 | |
| 10 | ![]() T3350004 | Flanschmutter | 1 | |
| 11 | ![]() T3205109 | Bolt, HHF, Lghtd, M8 x 45, Slv | 1 | |
| 12 | ![]() T2200622 | Bush, Rubber, M8 | 4 | |
| 13 | ![]() T3350004 | Flanschmutter | 1 |
Bedeutung der Hinweise (VIN oder ohne Hinweis=Fahrzeugidentnummer / ENG=Motornummer)
> xxxxx bedeutet BIS Identnummer xxxxx (manchmal auch ohne > davor)
xxxxx > bedeutet AB Identnummer xxxxx (alle ab dieser Idennummer aufwärts)
LH bedeutet Left Hand / Links
RH bedeutet Right Hand / Rechts
obs (obsolete) bedeutet Wird nicht mehr produziert = Nicht mehr bestellbar.
ACHTUNG: Teile aus Ersatzteilkatalogen werden extra für Ihr Fahrzeug bestellt. Es besteht daher kein ersatzloses Rückgaberecht.
Die Wiedereinlagerungsgebühr für zurückgesandte Bestellungen beträgt 25% des Warenwertes.