
ETK Bedienungshinweise:
- Teile anhand der laufenden Nummer aus dem Teilefiche in der Tabelle auswählen
- Artikelnummer anklicken, um zu den Details zu gelangen und die entsprechende Menge in den Warenkorb zu legen
- [Zurück zur letzten Seite] Link benutzen, um zu dieser Teileliste zurückzukehren
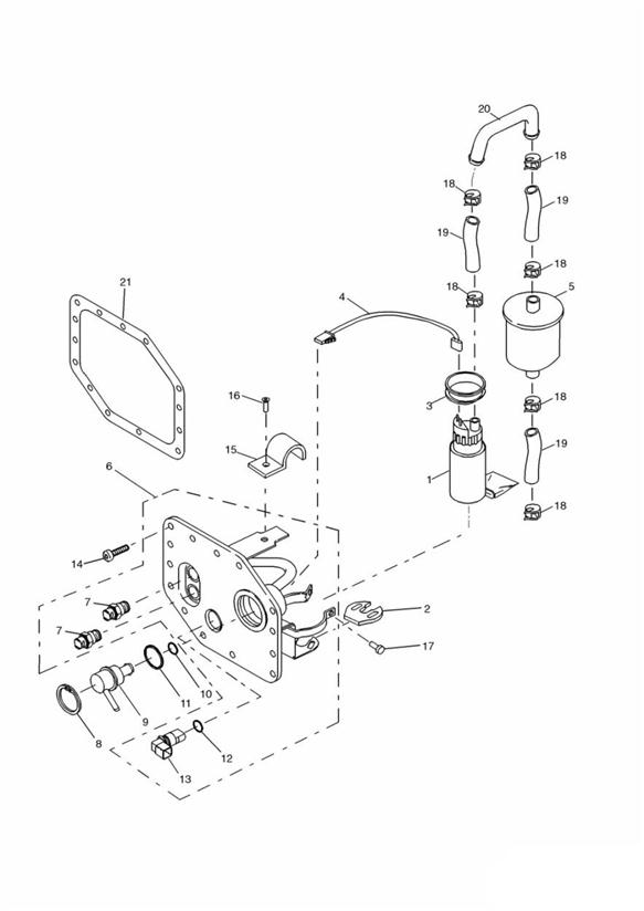
| Nr. | OEM-Details | Bezeichnung | Benötigt | Hinweise |
| 1 | ![]() T1240101 | FUEL PUMP, EFI | 1 | 198301 > |
| 1 | ![]() T1240845 | KRAFTSTOFFPUMPE | 1 | > 198300 |
| 2 | ![]() T1240846 | DAEMPFER, KRAFTSTOFFPUMPE | 1 | |
| 3 | obs T1240866 | DAEMPFERRING, BENZINPUMPE | 1 | |
| 4 | ![]() T1240847 | KABEL, KRAFTSTOFFPUMPE | 1 | |
| 5 | ![]() T1240850 | KRAFTSTOFFFILTER | 1 | |
| 6 | ![]() T1241057 | BENZINPUMPENPLATTE, BAUGRUPPE | 1 | |
| 7 | ![]() T1240868 | ANSCHLUSS KRAFTSTOFFLEITUNG | 2 | |
| 8 | ![]() T3500038 | Seegerring | 1 | |
| 9 | ![]() T1240856 | KRAFTSTOFFDRUCKREGLER | 1 | Fuel pressure |
| 10 | ![]() T3600039 | O-ring | 1 | 5mm dia x 2.5mm |
| 11 | ![]() T3600038 | O-ring | 1 | 20mm dia x 2.5mm |
| 12 | ![]() T3600052 | O-ring | 1 | |
| 13 | ![]() T1240867 | STECKER, KRAFTSTOFFPUMPE | 1 | |
| 14 | ![]() T3330891 | Bolt, RHHF, M5 x 0.8 x 12, S5041 | 14 | |
| 15 | ![]() T1242055 | KLAMMER, P | 1 | |
| 16 | ![]() T3051062 | Screw, M6 x 12, Enc, Raw | 1 | |
| 17 | ![]() T3332130 | Bolt, H/HD, M4 x 16, Slv | 1 | |
| 18 | ![]() T3700089 | Schelle, schlauch- | 6 | |
| 19 | ![]() T3620395 | Fuel Hose,45mm | 3 | |
| 20 | ![]() T1242056 | KRAFTSTOFFLEITUNG,8 x 1 mm | 1 | |
| 21 | ![]() T1241054 | DICHTUNG, PUMPENPLATTE | 1 |
Bedeutung der Hinweise (VIN oder ohne Hinweis=Fahrzeugidentnummer / ENG=Motornummer)
> xxxxx bedeutet BIS Identnummer xxxxx (manchmal auch ohne > davor)
xxxxx > bedeutet AB Identnummer xxxxx (alle ab dieser Idennummer aufwärts)
LH bedeutet Left Hand / Links
RH bedeutet Right Hand / Rechts
obs (obsolete) bedeutet Wird nicht mehr produziert = Nicht mehr bestellbar.
ACHTUNG: Teile aus Ersatzteilkatalogen werden extra für Ihr Fahrzeug bestellt. Es besteht daher kein ersatzloses Rückgaberecht.
Die Wiedereinlagerungsgebühr für zurückgesandte Bestellungen beträgt 25% des Warenwertes.