
ETK Bedienungshinweise:
- Teile anhand der laufenden Nummer aus dem Teilefiche in der Tabelle auswählen
- Artikelnummer anklicken, um zu den Details zu gelangen und die entsprechende Menge in den Warenkorb zu legen
- [Zurück zur letzten Seite] Link benutzen, um zu dieser Teileliste zurückzukehren
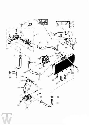
| Nr. | OEM-Details | Bezeichnung | Benötigt | Hinweise |
| 1 | obs T2100180 | Thermostat | 1 | >> 72924 |
| 1 | obs T2100195 | Thermostat | 1 | 72925 > |
| 2 | obs T2102160 | Sensor, temperatur | 1 | >> 72924 |
| 2 | ![]() T2100808 | Sensor, temperatur | 1 | 72925 > |
| 3 | ![]() T3660112 | Klebeunterlage | 2 | |
| 4 | obs T3660047 | Zierteil | 1 | |
| 5 | obs T2102131 | Thermostat | 1 | |
| 6 | ![]() T3600210 | O-ring | 1 | |
| 7 | obs T2100272 | Riegel | 1 | |
| 8 | ![]() T3331102 | Schraubbolzen | 2 | M6 x 25mm |
| 9 | ![]() T3600200 | O-ring | 1 | |
| 10 | ![]() T3550542 | Washer, Cu, OD12.5 x Id6.4 | 1 | |
| 11 | ![]() T3150007 | Schraubbolzen | 1 | M6 x 10mm |
| 12 | ![]() T3331043 | Screw, Pan/Hd, Tx, M6 x 12, Slv | 2 | |
| 13 | ![]() T2100074 | Cap Assy | 1 | |
| 14 | ![]() T2100463 | Ausdehn.behält. | 1 | |
| 15 | ![]() T2100405 | Elbow, ID 8.0 Tube | 1 | |
| 16 | ![]() T3620300 | Leitung, kraftstoff- | 1 | |
| 17 | ![]() T2100997 | Cap, Expansion Tank | 1 | Expansion tank |
| 18 | ![]() T3620320 | Pipe, Expansion Tank, Internal | 1 | |
| 19 | ![]() T3620300 | Leitung, kraftstoff- | 1 | |
| 20 | ![]() T2100405 | Elbow, ID 8.0 Tube | 1 | |
| 21 | obs 3450075-T0301 | Gummilager | 1 | >> 55898 |
| 21 | ![]() T3021200 | Grommet, Dia 14x4, Panel | 1 | 55899 > |
| 22 | ![]() T3700440 | Clip, Hose,11-12.5mm | 1 | |
| 23 | ![]() T3700077 | Splint | 1 | |
| 24 | ![]() T2100509 | Pumpe, kuehlwasser- | 1 | |
| 25 | ![]() T3205075 | Bolt, HHF, Lghtd, M6 x 65, Slv | 2 | |
| 26 | obs T2102162 | Winkelanschluß | 1 | >> ENG NO 111819 |
| 26 | obs T2102127 | Knie | 1 | ENG NO 111820 > |
| 27 | ![]() T2102143 | Dichtung | 1 | >> ENG NO 111819 |
| 27 | ![]() T3600185 | O-ring | 1 | ENG NO 111820 > |
| 28 | ![]() T3330334 | Screw, Tx, Pan/Hd, M6 x 16, Slv | 2 | >> ENG NO 111819 |
| 28 | ![]() T3331234 | Screw, Torx, P/H, M6 x 20, Slv | 2 | ENG NO 111820 > |
| 29 | ![]() T2100110 | Schlauch, ausla?- | 1 | |
| 30 | ![]() T2102242 | Schl.schelle | 5 | |
| 31 | obs T2102371 | Schlauch, | 1 | |
| 32 | obs T2102570 | Schlauch, oben | 1 | >> 72845 |
| 32 | ![]() T2102573 | Schlauch, oben | 1 | 72846 > |
| 33 | ![]() T2012144 | Stud, Sprocket Carrier | 3 | |
| 34 | ![]() T2102561 | Schlauchleitung | 1 | |
| 35 | obs T2102110 | Schl.schelle | 1 | |
| 36 | ![]() T2102392 | Schlauch, unten | 1 | |
| 37 | ![]() T2102572 | Kühler | 1 | >> 72845 |
| 37 | obs T2100554 | Kühler | 1 | 72846 > |
| 38 | ![]() T3021200 | Grommet, Dia 14x4, Panel | 4 | |
| 39 | ![]() T3555004 | Washer,6.4 x 14 x 1.6 | 2 | M6 |
| 40 | ![]() T3010710 | Flanged Sleeve,6.4 x 9.6 x 13.4 | 2 | |
| 41 | ![]() T3205083 | Bolt, HHF, LGHTD, M6 x 28, Slv | 2 | |
| 42 | ![]() T3600230 | Packung, wasserpumpen- | 1 | |
| 43 | obs T2101245 | Lüfter | 1 | >> 72610 |
| 43 | ![]() T2101241 | Lüfter | 1 | 72611 > |
| 44 | ![]() T3331043 | Screw, Pan/Hd, Tx, M6 x 12, Slv | 3 | |
| 45 | ![]() T3555004 | Washer,6.4 x 14 x 1.6 | 3 | |
| 46 | ![]() T2100595 | Halterung | 1 | LH |
| 47 | ![]() T2100596 | Halterung | 1 | RH |
| 48 | ![]() 3600160-T0301 | O-ring | 1 | |
| 49 | ![]() T3900016 | Schild | 1 | >> 51438 Engine coolant |
| 50 | ![]() T2072235 | Auflage, träger- | 1 | |
| 51 | ![]() T3450035 | Grommet, Dia 8, Dia 12.5,3 | 1 | |
| 52 | ![]() T2102113 | Schl.schelle | 1 | |
| 53 | ![]() T4007771 | Coolant, OAT, Premix, D2053 | - | Not Illustrated |
Bedeutung der Hinweise (VIN oder ohne Hinweis=Fahrzeugidentnummer / ENG=Motornummer)
> xxxxx bedeutet BIS Identnummer xxxxx (manchmal auch ohne > davor)
xxxxx > bedeutet AB Identnummer xxxxx (alle ab dieser Idennummer aufwärts)
LH bedeutet Left Hand / Links
RH bedeutet Right Hand / Rechts
obs (obsolete) bedeutet Wird nicht mehr produziert = Nicht mehr bestellbar.
ACHTUNG: Teile aus Ersatzteilkatalogen werden extra für Ihr Fahrzeug bestellt. Es besteht daher kein ersatzloses Rückgaberecht.
Die Wiedereinlagerungsgebühr für zurückgesandte Bestellungen beträgt 25% des Warenwertes.