
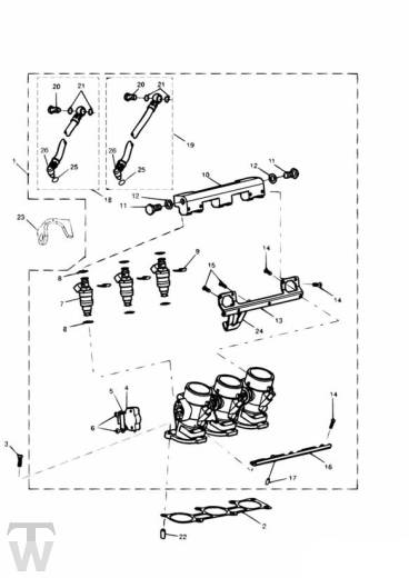
ETK Bedienungshinweise:
- Teile anhand der laufenden Nummer aus dem Teilefiche in der Tabelle auswählen
- Artikelnummer anklicken, um zu den Details zu gelangen und die entsprechende Menge in den Warenkorb zu legen
- [Zurück zur letzten Seite] Link benutzen, um zu dieser Teileliste zurückzukehren
| Nr. | OEM-Details | Bezeichnung | Benötigt | Hinweise |
| 1 | ![]() T1240107 | DROSSELKLAPPENGEHAEUSE, OVAL | 1 | |
| 2 | ![]() T1240776 | DICHTUNG, DROSSELKLAPPENGEH. | 1 | |
| 3 | obs T3330154 | Schraube | 6 | M6 x 30mm |
| 4 | ![]() T1290500 | DROSSELKLAPPENPOTENTIOMETER | 1 | |
| 5 | ![]() T1290501 | HALTEPLATTE DROSSELKLAPPENPOTI | 1 | |
| 6 | ![]() T1290502 | SCHRAUBE, HALTEPLATTE POTI | 2 | |
| 7 | obs T1240895 | EINSPRITZDUESE,01D004A | 3 | |
| 8 | ![]() T1245016 | O RING, EINSPRITZDUESE, OBEN | 6 | |
| 9 | obs T1240801 | HALTECLIP, EINSPRITZDUESE | 3 | |
| 10 | obs T1240825 | EINSPRITZLEISTE | 1 | |
| 11 | obs T1240745 | VERSCHLUSSSTOPFEN, M12 | 2 | M12 |
| 12 | ![]() T3550571 | Washer, Cu, OD 16 x ID 12.5 | 2 | |
| 13 | obs T1240717 | HALTERUNG, DROSSELKLAPPENGEH. | 1 | Upper |
| 14 | obs T1240738 | SCHRAUBE, HALTERUNG DROSSELKL. | 14 | |
| 15 | obs T1240735 | SCHRAUBE, M5 x 16, TORX | 2 | |
| 16 | obs T1240718 | HALTERUNG, DROSSELKLAPPENGEH. | 1 | Lower |
| 17 | obs T1240719 | SCHRAUBE, DROSSELKLAPPENANSCHL | 1 | |
| 18 | obs T1240837 | KRAFTSTOFFSCHLAUCH, ZULAUF | 1 | Feed Short hose |
| 19 | ![]() T1240841 | KRAFTSTOFFSCHLAUCH, RUECKLAUF | 1 | Return Long hose |
| 20 | obs T1240746 | HOHLSCHRAUBE M12 | 2 | M12 |
| 21 | ![]() T1240747 | DICHTSCHEIBE | 4 | |
| 22 | ![]() T3000101 | Dowel, Hollow,8 x 14 | 1 | |
| 23 | obs T1240759 | DROSSELKLAPPENANSCHLAG,98 PS | 1 | Germany / Norway, All Vehicle No`s France & Switzerland >> 61495 |
| 24 | obs T1240714 | HALTERUNG | 1 | |
| 25 | ![]() T3600131 | O ring,7.66 x 1.78 Viton F | 2 | |
| 26 | ![]() T1241483 | Kit, Connector, fuel,6.0 | 2 | |
| 27 | ![]() T3700138 | Clip, Hose, Dia 11.5-12.5 | 2 |
Bedeutung der Hinweise (VIN oder ohne Hinweis=Fahrzeugidentnummer / ENG=Motornummer)
> xxxxx bedeutet BIS Identnummer xxxxx (manchmal auch ohne > davor)
xxxxx > bedeutet AB Identnummer xxxxx (alle ab dieser Idennummer aufwärts)
LH bedeutet Left Hand / Links
RH bedeutet Right Hand / Rechts
obs (obsolete) bedeutet Wird nicht mehr produziert = Nicht mehr bestellbar.
ACHTUNG: Teile aus Ersatzteilkatalogen werden extra für Ihr Fahrzeug bestellt. Es besteht daher kein ersatzloses Rückgaberecht.
Die Wiedereinlagerungsgebühr für zurückgesandte Bestellungen beträgt 25% des Warenwertes.