
ETK Bedienungshinweise:
- Teile anhand der laufenden Nummer aus dem Teilefiche in der Tabelle auswählen
- Artikelnummer anklicken, um zu den Details zu gelangen und die entsprechende Menge in den Warenkorb zu legen
- [Zurück zur letzten Seite] Link benutzen, um zu dieser Teileliste zurückzukehren
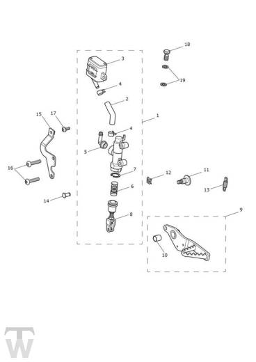
| Nr. | OEM-Details | Bezeichnung | Benötigt | Hinweise |
| 1 | ![]() T2021116 | Rear Brake Master Cylinder | 1 | |
| 2 | ![]() T2020806 | Hose, Reservoir, Rear M/Cyl | 1 | |
| 3 | ![]() T2024080 | M/Cyl Reservoir Assy | 1 | |
| 4 | ![]() T2023188 | SCHLAUCHKLEMME | 2 | |
| 5 | ![]() T2023189 | ANSCHLUSSSTUECK FUSSBREMSZYL. | 1 | |
| 6 | ![]() T2020031 | Piston Set | 1 | |
| 7 | ![]() T2020472 | Circlip, M'cyl, Rear | 1 | |
| 8 | ![]() T2021129 | Push Rod Assy, Rear M/Cyl | 1 | |
| 9 | ![]() T2021128 | Rear Brake Pedal Assembly | 1 | |
| 10 | ![]() T3750020 | Bush, PAP,1215 P14 | 1 | |
| 11 | ![]() T3331614 | Bolt, Shld, M8, Slv Enc | 1 | |
| 12 | ![]() T3000302 | Clip,8mm, Clevis Pin | 1 | |
| 13 | ![]() T2020897 | Spring, Brake Lever Return | 1 | |
| 14 | ![]() T3000301 | Pin, Clevis,8 x 13.7 | 1 | |
| 15 | ![]() T2021118 | Reservoir Bracket | 1 | |
| 16 | ![]() T3335016 | Screw, But/Hd, M8 x 35 | 2 | |
| 17 | ![]() T3330334 | Screw, Tx, Pan/HD, M6 x 16, Slv | 1 | |
| 18 | ![]() T3250125 | Bolt, Banjo, M10 x 21 | 1 | |
| 19 | ![]() T3550229 | Washer,15.2 x 10 x 1, Plated | 2 |
Bedeutung der Hinweise (VIN oder ohne Hinweis=Fahrzeugidentnummer / ENG=Motornummer)
> xxxxx bedeutet BIS Identnummer xxxxx (manchmal auch ohne > davor)
xxxxx > bedeutet AB Identnummer xxxxx (alle ab dieser Idennummer aufwärts)
LH bedeutet Left Hand / Links
RH bedeutet Right Hand / Rechts
obs (obsolete) bedeutet Wird nicht mehr produziert = Nicht mehr bestellbar.
ACHTUNG: Teile aus Ersatzteilkatalogen werden extra für Ihr Fahrzeug bestellt. Es besteht daher kein ersatzloses Rückgaberecht.
Die Wiedereinlagerungsgebühr für zurückgesandte Bestellungen beträgt 25% des Warenwertes.